热门关键词: 机房监控系统 机房动力环境监控产品 动环监控系统方案设计 机房动力环境监控案例 机房监控主机 机房监控软件
咨询热线
17391825305



单相电量检测仪ZY-ACM-201是高度集成化的针对单相电量参数测量应用的产品,准确测量单相交流电压、电流(真有效值测量)、有功功率、无功功率、功率因数、频率、有功电度、无功电度等电参量,RS-485通讯接口,具有极优的性价比。采用卡装式结构,体积小巧、安装方便,是电力参数采集行业的首选模块。使用本产品时须通过RS-485接口按Mo…
15277105651

单相电量检测仪ZY-ACM-201是高度集成化的针对单相电量参数测量应用的产品,准确测量单相交流电压、电流(真有效值测量)、有功功率、无功功率、功率因数、频率、有功电度、无功电度等电参量,RS-485通讯接口,具有极优的性价比。采用卡装式结构,体积小巧、安装方便,是电力参数采集行业的首选模块。使用本产品时须通过RS-485接口按Modbus-RTU协议进行通讯,获取所需的数字式电参量值。
适用于政府、电力、军队、银行、电信、教育、医院、机场、铁路、工厂、酒店、仓库、交通等行业,专为计算机网络机房、通信机房、通信基站、电力基站、变电站、居民配电所、UPS机房、蓄电池组机房、户外机柜、无人值守现场、仓库等场景的单相电能计量与监测。
1、带ESD保护电路的RS-485通信接口
2、带LED指示工作状态,便于现场安装调试
3、具有1路可配置的有功或无功电能脉冲输出功能
4、多电能计量:有正反向有无功累计电能、当日累计电能
5、可配置的实时数据更新周期,方便应用于各种测量要求
6、采用专用测量芯片,交流真有效值测量方式,测量精度高
7、通信规约采用标准Modbus-RTU方式,兼容性好,方便编程
8、35mm 标准DIN导轨安装,多种接线方式,方便现场安装布线
9、宽工作电压DC10~30V,并具防接反保护功能,接反电源不会损坏模块
10、采用工业级芯片,内置看门狗,并具有完善的防雷抗干扰措施,保证可靠性
11、高隔离电压,电压电流输入信号采用微型精密互感器隔离,耐压达DC2500V
12、采集单相电参量,包括电压、电流、功率、电能等10多个电参量,信息全
| 产品型号 | ZY-ACM-201 | 安装方式 | 35mm 标准DIN导轨安装 |
|---|---|---|---|
| 通信接口 | RS485 MODBUS-RTU标准规约,可选DLT645规约 | 电源 | DC+10~30V供电,峰值电压不得超过+40V;典型功耗:≤0.5W |
| 波特率 | 默认9600,可选2400,4800,9600 数据格式N ,8,1 | 温度漂移 | ≤50ppm/℃ |
| 交流输入 | 输入频率:工频,45~65Hz; 电压量程(相电压): 100V、260V、450V等可选; 电流量程:1A、5A,也可以配置精密互感器100A/50MA;50A/25ma等; 信号处理:采用专用测量芯片,24位AD采样; 数据更新周期:0.05S~1.00S可配置; 过载能力:1.2倍量程可持续;瞬间电流5倍,电压3倍量程不损坏; 输入阻抗:电压通道>1 kΩ/V;电流通道≤100mΩ; | 工作环境 | 工作温度:-20~+70℃;存放温度:-40~+85℃; 相对湿度:5~95%,无结露(在40℃下); 海拔高度:0~3000米; 环境:无爆炸、腐蚀气体及导电尘埃,无显著摇动、振动和冲击场所; |
| 电能脉冲输出 | 1路,可配置选择的(绝对值和)有功或无功电能脉冲输出; 脉冲输出宽度为50mS,负脉冲; 每个脉冲当量为:仪表电压量程*电流量程/2400 000度 | 隔离 | DC供电电源、RS-485接口间为共地,与电压输入、电流输入之间相互隔离;隔离耐压2500VDC |
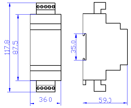
| 测量输出数据 | 电压、电流、功率、电能等10多个电参量 | 模块尺寸 | 118×36×59mm |
| 测量精度 | 电压、电流:±0.2%FS;电量:±0.5%FS | 认证 | CE FCC ROHS |

A型外型:采用35mm 标准DIN导轨安装,固定导轨后,将模块卡入导轨即可

F型外型:采用35mm 标准DIN导轨安装,固定导轨后,将模块卡入导轨即可

典型接线
请根据产品规格型号,参照以上图示正确接线。接线前要确保断开所有信号源,避免发生危险及损坏设备。检查确认接线无误后,再接通电源测试。 接通电源后,“RUN”运行指示灯会根据设置的数据更新速率同步闪烁。
产品出厂时,均设置为默认配置:地址1号、波特率9600bps、数据格式“n,8,1”、数据更新速率为600ms、变比为1。
咨询热线
微信扫一扫